大多數的接近開關輸出回路無論是
NPN型還是PNP型都是屬
集電極開路輸出信號形式(AC型除外),
且都具有最基本的3條信號線,
其分別為(VCC;GND;OUT),也有4線制的OUT(NO+NC)。
首先我們對3條信號線定義或稱呼進行說明:
VCC:電源正極
GND:電源負極
OUT:信號輸出線,又稱為負載;

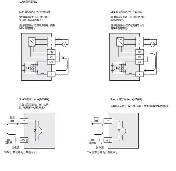
一般日系PLC習慣正極共點(COM)需採用NPN的接近開關。歐美系列PLC習慣負極共點,需採用PNP型的接近開關。
隨著自動化不斷發展,為了適應不同場合的需求,現已有了單端共點(S/S)可選型。
當PLC上的S/S端子為PLC的輸入信號電源公共端時,如S/S端子為+極時,則需要NPN型接近開關,反之如S/S端子為-極,則需要PNP型接近開關。

文章標籤
全站熱搜
